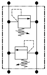
Cross Port Relief Assemblies
The cartridge valves used in these assemblies do not have vented spring chambers. Any pressure on the spring chamber side of the valve will be additive to the spring setting. If you need better pressure control look at our motor protection assemblies.

Click on a part number to open a PDF with more information.
| Part No. | Description | GPM |
|---|---|---|
| DPC000 | Cross Port Reflief Assembly for White Motors | 40 |
| DPC004 | W-T Cross Port Relief Assembly | 40 |
| DPC006 | Cross Port Sub-assembly | 30 |
| DPC007 | Cross Port Relief Assembly | 40 |
| DPC009 | 2000 Cross Port Relief Assembly | 30 |
| DPC014 | H&S Cross Port Relief Assembly | 30 |
| DPC016 | D08 High Capacity Cross Port Relief Assembly | 80 |
